Mediana

Casa Expandible 55m2

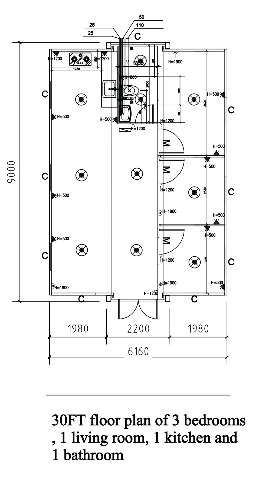
El balance perfecto entre espacio y versatilidad. 55 m² diseñados para parejas, profesionales independientes o como casa de fin de semana. Se instala en ~4 horas. Este modelo cuenta con 3 configuraciones de 1, 2 o hasta 3 recámaras, e incluye baño completo y cocina integral.

Cotizar Este Modelo Ver Tour Virtual
Casa Expandible 55m2 — Vista frontal

Ficha Técnica Completa

Especificación Detalle
Superficie habitable 55 m²
Dimensiones cerrada 9.12 × 2.44 × 2.59 m
Dimensiones abierta 9.12 × 5.94 × 2.59 m
Peso total ~4,200 kg (9,259 lb)
Altura interior 2.59 m
Estructura Acero galvanizado en caliente
Paredes Panel sándwich EPS 75 mm
Piso SPC vinílico antihumedad
Ventanas Ventana de aluminio
Instalación eléctrica 110/220V preinstalada
Instalación hidráulica Agua fría/caliente preinstalada
Recámaras 1 – 3
Baños 1
Cocina Cocina media con barra
Sala-comedor Integrada
Tiempo de instalación ~4 horas (con maquinaria)

Galería del Modelo

Planos y Distribución

Explora las 3 configuraciones disponibles para el modelo de 55 m².

Tour Virtual 360°

Recorre cada espacio del modelo 55m2.

Usos Sugeridos

Casa para Parejas

Espacio cómodo con sala, recámara amplia y cocina completa. Todo lo que necesitan para comenzar su vida juntos.

Casa de Fin de Semana

Instálala en tu terreno campestre y disfruta escapadas de calidad sin sacrificar comodidad.

Consultorio / Oficina

Espacio profesional independiente con zona de espera, escritorio y baño privado.

¿Este modelo es para ti?

Solicita una cotización personalizada. Nuestros asesores te acompañan en todo el proceso.

Cotizar Ahora